Feature

Building Design and EMF

Are the electromagnetic fields in and around our buildings causing cancer? Is this the next big indoor health issue, or is it just a passing whimsy—interesting but insignificant? What should we as designers and builders be doing about these fields? There are still many more questions than answers about these fields and their possible health effects. Even so, we do know enough that we can make simple changes in the way we design and construct buildings, at little or no cost, to minimize risk.

What Are Electromagnetic Fields?

Electric current flowing through wire generates both electric and magnetic fields. Unlike high-frequency X-rays and gamma rays, which are strong enough to break chemical bonds (ionizing radiation), the electric and magnetic fields from 60-cycle electric current are extremely low-frequency (ELF) and thus low energy. No one ever worried about these fields because they are not strong enough to break chemical bonds—which was considered necessary to cause cancer or have other biological effects. Recent investigations, though, suggest that these low-energy fields may indeed be a cause of concern.

Electric fields and magnetic fields are quite different. Electric fields are produced by electrical “pressure” (voltage), while magnetic fields result from current flow (amperage). An electric blanket will produce an electric field whenever it is plugged in, but it creates a magnetic field only when it is turned on and current is flowing through it. The same is true with wiring in buildings: it emits electric fields as long as the circuit is live, but emits magnetic fields only when electric loads cause current to flow in the wires.

Electric fields are typically measured in volts or kilovolts per meter, while magnetic fields—the focus of most attention—are measured in gauss or milligauss (mG). Magnetic fields in buildings typically range from less than 0.1 mG to over 10 mG, with higher fields encountered very close to motors and wiring (see discussion below). A gaussmeter is used for measuring magnetic fields. These instruments range in price from about $100 to over $1,000. The most useful gaussmeters measure fields on three axes and provide a digital readout of the highest field encountered. Single-axis gaussmeters have to be pivoted at each point until the highest field is encountered.

Electric and magnetic fields created by AC wiring change their strength and direction at a frequency of 60 cycles per second, so are often referred to as

alternating or 60-hertz fields. DC current also produces magnetic fields, but these are

static fields. The earth itself has a large static magnetic field of about 500 mG, which is much higher than most static fields encountered in buildings. Electric fields are partially blocked by most materials (a typical house wall blocks about 90% of an electric field striking it), while magnetic fields pass right through most materials.

Should We Worry About Electromagnetic Fields?

Concern about electromagnetic fields in buildings dates back to the late-1970s when an epidemiological study in Denver was published that showed a correlation between childhood leukemia and proximity to EMF sources. Numerous subsequent studies have been done around the world, some supporting the original study, others refuting it. Meanwhile, dozens of laboratories are trying to determine actual mechanisms by which EMFs could be causing biological effects. The Electric Power Research Institute (EPRI) is spending about $13 million dollars a year studying the issue, and total research expenditures in the United States are $25 to $30 million per year. Considerable research is being done in Europe as well.

Most of the current health concern about electromagnetic fields is focused on the magnetic fields. Laboratory studies indicate that magnetic fields may affect living tissue in several ways. Among the mechanisms suggested are the following:

•Magnetic fields may somehow interrupt communication across cell membranes, thus changing the actions of hormones, antibodies, and cancer-promoter molecules.

•Magnetic fields may slow the rate at which free radicals (ions) are recombined in our bodies. If those ions stick around longer, they have a greater chance of reacting with and damaging DNA and other molecules.

•Magnetic fields may suppress the production of melatonin, a hormone that has been shown to inhibit various forms of cancer.

As for how significant the health risks from magnetic fields are, nobody knows yet. Despite the laboratory and epidemiological studies, we may still be years away from definitive answers. Or we may never get the answers we want. Much of the EMF concern is probably exaggerated—people are more likely to suffer health effects from worrying about EMF than from actual biological effects—but the health concerns should not be ignored, especially given the evidence of biological effects.

Simple, low-cost (or no-cost) steps can and should be taken during design and construction of buildings to minimize magnetic field exposure of building occupants (see checklist at end of article). This strategy is often termed

prudent avoidance. Decisions that would require our society to spend billions of dollars to alter power transmission systems because of magnetic fields should await more scientific evidence.

Managing Magnetic Fields

To understand how to manage magnetic fields, you have to know a little something about electricity. Electricity flows from its point of generation (usually a power plant) in huge loops through the utility grid and back to the power plant, doing work along the way. We tap off this grid to form smaller loops that power our buildings and individual circuits within buildings. Electrical wiring carries a complete current loop: a hot lead (usually black or red) and a neutral or return lead (white). Modern wiring also includes a ground wire.

Electric current flows through the hot lead, does its work (heating our hot water or powering our lights, for example), then returns via the neutral lead. The National Electric Code requires that wiring systems force current to return to the service panel and the utility lines through the neutral wire. At the service panel, the neutral wire is grounded to the earth or to metal water pipes. Return current always takes the path of least resistance to get back to the utility pole. Usually this path will be through the neutral lead, but with some grounding configurations, a portion of the current may return to the utility pole via the ground.

Two key aspects of magnetic fields are that 1) both the hot and neutral leads emit magnetic fields, and 2) these fields are opposite and cancel one another. If hot and neutral wires (conductors) are very close together (as they are in Romex wire), the resultant magnetic field is small and drops off very quickly with distance. If, on the other hand, there is more space between the conductors (as is the case with older knob-and-tube wiring), the fields do not cancel one another effectively and extend much farther.

Any wiring practice that separates the hot and neutral leads will induce magnetic fields. Any grounding practice that permits return current to flow back to the service panel or utility pole via the ground instead of the neutral conductor will also induce a magnetic field, because this creates separation between the conducting channels. Electric motors produce magnetic fields because the hot and neutral conductors are separated in the windings. How large a magnetic field a motor creates will depend on the size of the current loop created by the motor and the amount of current flowing through it.

Sources of Magnetic

Fields in Buildings

Figure 1. Electrical distribution systems. Transmission lines generate larger magnetic fields than distribution lines, but right-of-ways are usually wider, so distribution lines usually result in larger magnetic fields in buildings.

Adapted from G. Morgan, Carnegie Mellon University
External sources. Magnetic fields in buildings can originate either inside or outside the building. Primary sources of external fields include electrical transmission and distribution lines (see Figure 1).

High-voltage transmission lines are only a concern in buildings within 500 to 1,000 meters of the lines. Primary and secondary distribution lines are more common sources of magnetic fields in buildings, because of their closer proximity. In some large buildings, distribution lines are carried within the building.

Internal sources. Magnetic fields are generated in buildings from grounding practices, wiring practices, and electric devices (appliances, heating elements, office equipment, etc.). A building’s grounding system can be quite complex. It is influenced by how the neutral conductor is brought in from the secondary distribution line (service drop), how the ground connection is made at the service drop, and what the conductive path is between the service-drop ground to other electrical grounds in the electrical distribution system (such as metallic water pipes).

Whenever a grounding system permits current to return to the distribution transformer via routes other than the neutral conductor, current loops will be created that induce magnetic fields. Very commonly, some current returns to the transformer through metallic plumbing lines or structural steel and the ground; this can produce magnetic fields throughout a building. Because the current loop is so large in diameter, these fields do not drop off quickly with distance.

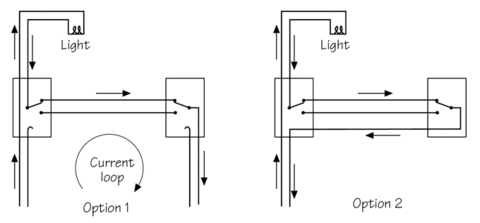
Figure 2. Two ways to wire three-way switches. Option 1, on the left, causes a current loop and enhanced magnetic field. Option 2, with three-conductor wire, does not.

Adapted from EPRI
Multiple-way switches can create significant magnetic fields, depending on how the wiring is run to the second switch (Figure 2).

If two-conductor wire is used (Option 1), a current loop is created that generates a magnetic field (the size of which depends on the current flow through the circuit). By using three- conductor wire to the second switch, a current loop is avoided. The National Electric Code clearly permits Option 2, but there is debate as to whether Option 1 is permitted. Of 70 electrical inspectors who toured EPRI’s magnetic field research house in Lenox, MA, according to director Dr. Gary Johnson, 20 said this practice meets code, 20 said it was clearly in violation of code because the hot and neutral wires do not follow the same path, and the rest thought it probably violated code but that they would likely overlook the violation if the work was completed.

Magnetic Fields from Appliances (mG)

Note: Number of samples measured is listed in parentheses.

Source: EPRI, Survey of Residential Magnetic Field Sources , Volume 1, September 1993.
Radiant electric heating elements in floors and ceilings can also create sizeable fields.

In this case the fields will depend on the pattern of hot and neutral conductors in the radiant grid. With wide separation between the conductors, large fields will be created, but it is possible to design radiant electric heating systems to produce only very small fields. (The same is true with electric blankets.)

As mentioned previously, the magnetic fields resulting from electrical devices in buildings depend on device design and current flow. EPRI has undertaken extensive surveys of magnetic field sources in resi­dential and commercial buil­­dings recently. Magnetic fields produced from common appliances and other equipment are listed in the table.

Conclusions

When we consider all of the health hazards that surround us in our buildings (lead paint, offgassing from carpets, combustion gases, radon, asbestos, etc.), electromagnetic fields are probably pretty insignificant. Nonetheless, research to date suggests that at least the magnetic component of EMF may have biological effects. It is quite conceivable that exposure to magnetic fields could increase risk of cancer or cause other health effects.

Given what we know, it makes sense to begin designing and building houses and commercial buildings to minimize the creation of, or exposure of occupants to, magnetic fields. There are many simple ways to do this at zero cost or very low cost. Some measures will actually save occupants money over time (such as installing efficient electrical equipment). A number of specific recommendations are provided in the following checklist.

Strategies for Minimizing Magnetic Field Exposure–Checklist for Action

Meanwhile, we need to proceed with research that tells us whether magnetic fields or electric fields pose real health risks, and if they do, what we can do about it. If serious health effects are found that require large capital investments to correct, society will have to determine how to proceed with corrective actions and who will bear the cost.

For more information:

Reports from EPRI are available from most utilities.

Department of Engineering and Public Policy

Carnegie Mellon University

Pittsburgh, PA 15213

Background material.

Electro-Pollution Supply

PO Box 3217

Prescott, AZ 86302

602-445-8225

Healthy building consultants, EMF specialty, Current Switch, video on EMF, available for $34.45 postpaid.

Microwave News

PO Box 1799

Grand Central Station

New York, NY 10163

212-517-2800

Newsletter addressing EMF: $285/yr., $315/yr. outside U.S.

Published March 1, 1994

(1994, March 1). Building Design and EMF. Retrieved from https://www.buildinggreen.com/feature/building-design-and-emf